Manuel du moteur DACT - Enginediy
Manuel du moteur DACT - Enginediy
Tout d'abord, merci d'avoir choisi nos produits. Le DOHC est un ensemble de pièces de moteur quatre cylindres en ligne quatre temps de haute précision. Avant d'utiliser votre moteur, veuillez lire les « Consignes de sécurité et avertissements » et la section « Assemblage des pièces » de ce manuel. Suivez scrupuleusement son contenu pour vous familiariser avec les commandes et autres fonctions du moteur. Veuillez également conserver ce manuel pour pouvoir le consulter à tout moment. 
1. À PROPOS DE VOTRE MOTEUR
Il s'agit d'un modèle réduit de moteur à fioul. À l'exception de l'échelle, il est très proche du moteur réel. Veuillez noter que ce moteur n'est pas un jouet. En raison de son couple et de sa vitesse élevés, il peut vous blesser. Veuillez ne pas le modifier ni le démonter sans autorisation. En tant qu'utilisateur professionnel, soyez prudent et responsable de son utilisation en toute sécurité. Si votre moteur est ultérieurement acquis par un autre passionné, nous vous prions de bien vouloir transmettre ce manuel d'utilisation à son nouveau propriétaire.
Le rapport de cylindrée du moteur DOHC par rapport au modèle d'origine est d'environ 1:6, avec une pompe à huile intégrée, une pompe de refroidissement à eau externe et un moteur sans balais faisant office de démarreur électrique. La conception à double arbre à cames et à 8 soupapes lui confère une apparence plus symétrique.
Le système de refroidissement par eau et le système de lubrification indépendant assurent la lubrification de la structure mécanique et un fonctionnement durable. La machine adopte une conception à trois segments de piston (dont un segment d'huile), ce qui réduit considérablement les risques de brûlure d'huile. La machine est compatible avec les modifications des joueurs ! Si vous en avez besoin pour participer à la compétition, ce sera la clé de la victoire !
La machine contient plus de 200 pièces ; ne la démontez pas dans des conditions normales ! Ce moteur, dont le couple et la vitesse sont élevés, peut vous blesser ; veuillez ne pas le démonter vous-même.
Lisez attentivement ce manuel avant d'utiliser cette machine afin d'éviter tout dommage inutile lors de l'utilisation de ce produit.
Avertissement : les points suivants peuvent entraîner des blessures graves (ou mortelles dans des conditions extrêmes).
.1 Le carburant du moteur est inflammable. Veuillez vous tenir à l'écart des flammes nues, des zones de surchauffe et de tout endroit susceptible de provoquer une inflammation.
.2 Ne démarrez pas la machine dans un espace clos. L'essence dégageant du monoxyde de carbone, un gaz nocif après combustion, démarrer la machine dans un espace ouvert peut garantir votre sécurité.
.3 Ce type de machine génère beaucoup de chaleur en fonctionnement. Lorsque le moteur est à l'arrêt, ne touchez aucune partie de la machine avec les mains. En particulier le tuyau d'échappement et le cylindre, car une température trop élevée peut provoquer des brûlures.
Le carburant est toxique. Évitez tout contact avec les yeux ou la bouche. Conservez-le toujours dans un récipient clairement identifié et hors de portée des enfants.
.5 Le moteur du modèle réduit génère une chaleur considérable lorsqu'il tourne. Veuillez ne toucher aucune pièce du moteur juste après l'arrêt, en particulier le tuyau d'échappement ou la culasse ; un contact inapproprié peut provoquer de graves brûlures.
.6 Du bruit sera généré lorsque le moteur démarre, veuillez acheter notre tuyau d'échappement silencieux correspondant ou le faire fonctionner dans un environnement éloigné des résidents, car le bruit de fonctionnement du moteur peut gêner les autres personnes.
.7 Pour des raisons de sécurité, lorsque vous vous préparez à démarrer le moteur, gardez tous les spectateurs (en particulier les enfants) à au moins 3 mètres de distance.
.8 Ce moteur convient aux expériences scientifiques populaires, à l'affichage de modèles, à la conduite de modèles réduits de voitures, veuillez ne pas essayer de l'utiliser à d'autres fins au-delà du cadre d'utilisation.
.9 Ce produit convient uniquement aux utilisateurs de plus de 18 ans.
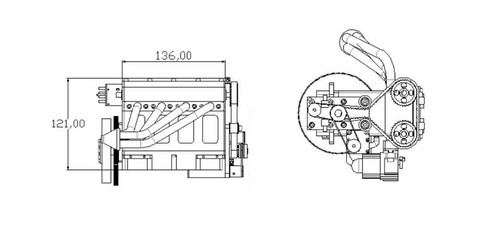
2. INTRODUCTION GRAPHIQUE DU PRODUIT 


3. PARAMÈTRES DE BASE
Modèle : D6
Cylindrée : 36 cm3
Diamètre du piston : 22,9 mm
Vitesse maximale : 7800 tr/min
Carburant : essence 92#, 95# (essence pure)
Huile moteur : volume d'huile de 70 à 80 ml, viscosité supérieure à 30w-50
Méthode de refroidissement : refroidissement par eau
Segment de piston : 3 segments de moteur simulé, y compris un segment racleur et un segment conique
Spécification de la taille de la coque : environ 121*136*60 mm
Puissance : 1,2 kW
4. INTRODUCTION DE BASE
Le moteur du modèle D6 adopte une conception à double arbre à cames, quatre temps, quatre cylindres et huit soupapes.
Une pompe externe refroidie par eau peut dissiper efficacement la chaleur et refroidir la machine.
La pompe à huile interne du moteur, le carter d'huile contient la pompe à huile et l'huile circule bien.
L'allumage électrique à impulsion CDI de type Hall, équipé d'un démarreur à couple élevé, assure un démarrage en douceur. Prise en charge de la modernisation d'un allumeur à entrée d'angle !
Réalisation d'un centre d'usinage CNC pour la coque entière.
Ce moteur utilise de l'essence pure et exige des performances élevées en termes de piston, de chemise de cylindre et de vilebrequin. Sa conception et son procédé de fabrication s'inspirent des technologies d'origine des moteurs automobiles. La paroi intérieure de la chemise de cylindre haute résistance est chromée, ce qui augmente sa résistance à l'usure, sa fluidité et sa durée de vie. 
Le piston adopte une conception simulée à 3 segments, comprenant un segment à face conique et un segment d'huile (segment de piston de Zeng), ce qui rend l'efficacité de la combustion plus efficace.
Le fabricant de vilebrequins fabrique des pièces de vilebrequin pour moteurs automobiles. Fort de 20 ans d'expérience dans la production de vilebrequins, de pièces moulées et de nombreux procédés, il garantit un fonctionnement optimal des machines et réduit les risques de panne.
5. INSTRUCTIONS DE DÉMARRAGE ET D'UTILISATION DE LA MACHINE
Comment démarrer votre machine
1. Avant de démarrer le moteur, il est nécessaire d'installer un équipement de refroidissement par eau, de démarrer l'ESC, l'allumeur à impulsions CDI (mode de distribution ou mode d'avance d'angle automatique) et le réservoir de carburant.
Paramètres des composants :
A. Équipement de refroidissement par eau : une rangée de refroidissement par eau de ventilateur ordinaire et un réservoir d'eau suffisent, la taille de la rangée de refroidissement par eau n'est pas petite et 80*80 mm, sinon l'effet de refroidissement n'est pas idéal.
B. Démarrage ESC : tension 18-24 V, courant non inférieur à 80 A.
C. Allumeur à impulsion Cdi : 6-12 V, ou allumeur à entrée d'angle automatique à quatre cylindres.
D. Réservoir de carburant : capacité supérieure à 50 ml.
2. Une fois les composants installés, ajoutez de l'huile et du carburant, puis ajoutez de l'eau pure ou de l'antigel ou du liquide refroidi à l'eau dans le réservoir d'eau refroidi à l'eau.
3. Appuyez sur la bulle d'huile du carburateur (partie inférieure du carburateur) pour pomper le carburant dans le carburateur jusqu'à ce que l'huile sorte de l'orifice de retour du carburateur, connectez l'alimentation électrique et préparez-vous à démarrer.
4. Bloquez légèrement l'entrée d'air du carburateur avec vos doigts, démarrez le moteur lentement, de sorte que le carburant pénètre dans le cylindre, et relâchez vos doigts pour démarrer le moteur à pleine force.
5. Si le démarrage ne démarre pas, veuillez vous référer au manuel pour obtenir des instructions de dépannage.
6. AVIS IMPORTANT
Précautions concernant le moteur
1. Il est interdit de démarrer sans ajouter d'huile moteur !
2. Il est interdit de remplir le réservoir de carburant avec un carburant autre que de l'essence !
3. Il est interdit de démonter la machine, sinon elle ne sera pas garantie !
4. Il est interdit de toucher la poulie et le dispositif de transmission avec les mains lorsque la machine est en marche !
5. Faites attention à la hauteur de l'essence dans le réservoir de carburant lors du démarrage, et la sortie du réservoir de carburant doit être aussi plane que l'entrée de carburant du carburateur (la différence entre les deux ne doit pas être supérieure à 2 cm).
Considérations de démarrage
1. Environnement de démarrage : le démarrage du moteur produit des gaz d'échappement. Il est donc recommandé de démarrer dans un environnement extérieur bien ventilé. Soyez attentif au bruit que la machine pourrait émettre et qui pourrait déranger vos voisins.
2. Bougie d'allumage : Le type de filetage de la bougie d'allumage est M6 1/4-32 et la bougie d'allumage est en contact normal avec la ligne d'impulsion.
Notez que cette machine utilise des bougies d'allumage, et non des bougies de préchauffage. Leur fonctionnement est différent !
La fonction de la bougie d'allumage est de libérer l'impulsion électrique haute tension envoyée par le fil haute tension, de décomposer l'air entre les deux électrodes de la bougie d'allumage et de générer une étincelle électrique pour enflammer le gaz mélangé dans le cylindre.
3. Allumeur à impulsion : l'allumeur doit être sous tension. Le système d'allumage doit fonctionner avec le distributeur de la machine. Attention à l'avance à l'allumage.
4. Démarrez l'alimentation : Il est recommandé d'utiliser une alimentation 18-24 V avec un courant supérieur à 80 A.
5. Vitesse de démarrage : environ 1000 tours par minute.
6. Carburateur : Avant de démarrer, vous devez appuyer sur la bulle d'huile pour la remplir de carburant.
Faites attention au nettoyage du carburateur pour éviter tout colmatage.
7. Dissipation thermique : Le système de dissipation thermique est scellé et ne fuit pas de liquide.
Une mauvaise dissipation de la chaleur peut endommager votre machine.
8. Poulie : La distribution de la machine est équipée d'une poulie externe. Veillez à bien nettoyer la poulie et la courroie pour éviter toute pénétration de corps étrangers.
9. Carburant : Le carburant est de l'essence, de l'essence pure est utilisée, n'utilisez pas d'essence mélangée.
Le carburant de la machine est de l'essence inflammable, ce qui est dangereux, veuillez le remplir avec précaution !
7. NETTOYAGE ET ENTRETIEN RÉGULIERS
Comment entretenir votre machine
Pour une utilisation optimale et prolongée du moteur, un nettoyage et un entretien réguliers sont essentiels pour prolonger sa durée de vie. Notre entreprise propose également des services d'entretien à long terme pour ce produit.
1. Changez l'huile régulièrement. La période de rodage d'une nouvelle machine est d'environ 50 heures. Veuillez changer l'huile une fois.
2. Veuillez ajouter 50 à 70 ml d'huile moteur. Une quantité insuffisante d'huile moteur entraînera une usure plus importante de la machine, et un excès d'huile risque de déborder de l'évent du vilebrequin.
3. Nettoyez soigneusement la poussière et l'huile restantes sur l'admission d'air du carburateur. L'utilisateur peut installer un filtre à air pour garantir la propreté de l'air entrant. Si le carburateur est endommagé, veuillez le remplacer à temps. Le carburateur ne peut pas être réglé.
4. La bougie d'allumage doit être vérifiée régulièrement, veuillez la remplacer si elle ne fonctionne pas correctement.
5. Faites attention au fonctionnement normal de l'équipement refroidi par eau, remplissez-le d'eau pure ou de liquide refroidi par eau et le réservoir d'eau doit être dans un état d'eau plein.
6. Vérifiez régulièrement les pièces importantes du moteur : jeu des soupapes, phase des soupapes, carburateur, position de calage, allumage CDI, pression du cylindre, inspection et réglage réguliers pour garantir que le moteur est en bon état.
8. QUE FAIRE SI LE MOTEUR NE DÉMARRE PAS NORMALEMENT
Faites attention à l'état du moteur lorsque la machine a du mal à démarrer
1. Vérifiez le bon fonctionnement de l'allumeur à impulsions et si la pile est défectueuse. Si oui, remplacez-la. Vérifiez le bon fonctionnement de la bougie. Si oui, remplacez-la. Pour vérifier le bon fonctionnement du distributeur, suivez la séquence d'allumage 1342 (celle près du distributeur est
cylindre 1, poussez-le vers l'arrière à tour de rôle), s'il est anormal, veuillez le régler à la normale.
2. Vérifiez si le moteur électrique fonctionne normalement, sinon, veuillez vérifier l'état du moteur et de l'ESC.
3. Vérifiez le bon fonctionnement du carburateur. Obstruez l'entrée d'air à la main. Démarrez la machine pour vérifier l'écoulement du carburant dans le conduit d'huile. Dans le cas contraire, réglez ou remplacez le carburateur. Si l'admission d'huile est irrégulière, vérifiez si le carburateur et le conduit d'admission sont obstrués. Si le carburateur est endommagé, remplacez-le pour démarrer. Si le conduit d'admission d'huile est obstrué, il suffit de
Nettoyer le tuyau d'admission d'huile. Pour commencer.
4. Veuillez régler la vis d'accélérateur du carburateur ou changer le carburant si le ralenti est instable. S'il est endommagé, remplacez le carburateur.
5. Vérifiez que le jeu aux soupapes est normal. Il est normalement compris entre 0,1 et 0,2 mm. En cas d'anomalie, ajustez-le.
6. Tournez le vilebrequin à la main pour vérifier si la pression dans le cylindre du piston est normale. Si elle est anormale, vérifiez l'étanchéité du joint de soupape et de cylindre. Si elle est anormale, réglez-la ou remplacez-la.
7. Observez le calage. En fonctionnement normal de chaque cylindre, la soupape d'admission supérieure du piston de première course est complètement fermée. En cas d'anomalie, ajustez l'angle de l'arbre à cames.
8. Si la machine émet de la fumée blanche et démarre difficilement, ou cogne, il s'agit généralement d'un défaut d'avance à l'allumage. Le pré-allumage est généralement de 5 à 10 degrés entre le piston et le vilebrequin avant le réglage du piston. Ajustez l'avance à l'allumage pour résoudre le problème. 
9. REMPLACEMENT DES PIÈCES FONCTIONNELLES
Après une utilisation prolongée, le frottement entre les différentes pièces du moteur entraîne une usure et un jeu trop important. Le remplacement des pièces concernées permet de maintenir un fonctionnement stable du moteur. En cours d'utilisation, des situations peuvent survenir, telles qu'un démarrage difficile, une baisse de puissance et un ralenti instable.
Veuillez signaler votre utilisation et les mauvaises performances de votre moteur à votre concessionnaire local ; nous vous répondrons avec le plus grand soin. Pour le remplacement des pièces, nous mettons à votre disposition un équipement professionnel et une équipe expérimentée. Veuillez ne pas démonter le moteur sans outils professionnels afin d'éviter tout risque de panne incontrôlable.
dommages au moteur.
10. NOTRE ENGAGEMENT
1) Veuillez contacter le distributeur de votre pays ou de votre région. Vous pouvez également l'obtenir en ligne.
Obtenez toutes sortes de pièces et un ensemble complet de services. Pour des informations détaillées sur chaque pièce, n'hésitez pas à vous adresser à votre concessionnaire.
2) En cas de problème technique ou d'utilisation, il est préférable de fournir des photos et des vidéos. Notre équipe de professionnels en ligne est là pour vous répondre gratuitement.
3) Si votre revendeur n'est pas en mesure d'effectuer ses services techniques, nous vous fournirons directement une assistance technique. 
Laisser un commentaire